Analisi numerica dell’interazione
chiodo terreno nelle pareti chiodate
La chiodatura del terreno è una tecnica di rinforzo del terreno in sito, utilizzato per la realizzazione di scavi in terreni granulari senza ricorrere ad opere di sostegno quali berlinesi o diaframmi.
Le fasi esecutive sono rappresentate in figura:
Il comportamento di una parete chiodata è un problema fortemente iperstatico ed è difficile trovare un modello matematico per l’interpretazione del comportamento di queste strutture. L’analisi numerica agli elementi finiti permette di studiare il comportamento dell’opera in condizioni d’esercizio e di valutare l’effetto d’interazione tra chiodo e terreno.
I rinforzi sono posti in maniera puntuale secondo una certa spaziatura orizzontale, il problema è quindi tridimensionale. Per realizzare uno studio più agevole si è riportato il problema da tridimensionale a piano imponendo le condizioni di stato piano di deformazione. Affinché i due modelli siano equivalenti (per lo meno per quando riguarda le trazioni sui chiodi) la rigidezza assiale dell’elemento di rinforzo orizzontale nel modello bidimensionale deve essere uguale a quella della fila di chiodi nella parete reale.

L’analisi parametrica è stata condotta per una geometria fissata:
Si sono adottate due lunghezze di rinforzi:
Si è discetizzato una certa porzione di continuo attraverso elementi PLATE a quattro nodi per i quali sono state imposte le condizioni di stato piano di deformazione.
Il terreno è stato schematizzato come un mezzo elastico perfettamente plastico con criterio di plasticizzazione alla MOHR – COULOMB assumendo per esso i seguenti parametri:
L’elemento di rinforzo è stato schematizzato con elementi PLATE a quattro nodi e con un comportamento perfettamente elastico. Il modulo elastico e lo spessore di questi elementi sono stati scelti in maniera tale che la fila di chiodi abbia la stessa rigidezza assiale e flessionale dell’elemento piano.
Si è, infine, aggiunto in corrispondenza della facciata un sottile strato di elementi a comportamento elastico ed aventi lo stesso modulo elastico del terreno al fine di evitare instabilità locali eccessive.
Per l’analisi parametrica dell’interazione terreno struttura si è fatta variare la rigidezza del chiodo di due ordini di grandezza tra Rn = 0.1 e Rn = 10, dove Rn rappresenta la rigidezza relativa del chiodo rispetto alla rigidezza del terreno da esso rinforzato:

Quando si vuole modellare l’apertura di uno scavo in un terreno schematizzato come un mezzo elastico perfettamente plastico (come in questo caso), c’è il problema che il sollevamento del fondo dello scavo, che si osserva a seguito dello scarico tensionale, dipende dalla grandezza del continuo discretizzato (mesh-dipendenza). Nella realtà il terreno è un materiale incrudente e si comporta differentemente in carico e in scarico: il modulo elastico di scarico è circa 1/10 di quello di carico nel piano semilogaritmico delle tensioni. Il sollevamento del fondo scavo riscontrato nelle analisi numeriche (circa 6 cm) è eccessivo e induce una rotazione all’indietro dell’ammasso chiodato rendendo lo stato deformativo poco veritiero. In effetti si è verificato, attraverso un altro codice di calcolo agli elementi finiti (CRISP) e assumendo per il terreno un modello incrudente tipo CAM-CLAY, che il sollevamento del fondo scavo è molto minore (circa 1 cm) e coinvolge un volume di terreno pari a circa una volta l’altezza di scavo e non tutta la mesh.
Per studiare anche l’effetto di questo diverso comportamento del terreno si sono considerate due condizioni di vincolo per il fondo scavo:
L’analisi parametrica è riassunta nella seguente tabella:
|
LUNGHEZZA DEI RINFORZI |
RIGIDEZZA DEI RINFORZI |
ANGOLO DI ATTRITO DEL TERRENO |
CONDIZIONI AL CONTORNO |
|
LUNGHEZZA 9 m LUNGHEZZA 5 m |
Rn = 0,1 Rn = 1,2 Rn = 2,3 Rn = 4,0 Rn = 6,0 Rn = 7,6 Rn = 10,1 |
f ’ = 35° f ’ = 40° f ’ = 45° |
FONDO SCAVO BLOCCATO FONDO SCAVO LIBERO |
Operativamente l’analisi si è svolta nel seguente modo:
Si è costruita la mesh lasciando una sottile intercapedine tra il volume di terreno dello scavo e il resto del modello
Passo 1:
Si sono collegati i nodi adiacenti dell’intercapedine con dei RIGID LINK, collegando in tal modo il terreno di scavo al resto del modello
Passo 2
Si è applicata la gravità a tutta la mesh ricreando se condizioni in sito con un coefficiente di spinta orizzontale Ko pari a 0.43 (che deriva dalla teoria della elasticità e dall’imposizione delle condizioni di stato piano)

Passo 3
Si sono rimossi i RIGID LINK e si sono bloccati gli spostamenti di tutti i nodi del volume di scavo e per la condizione con fondo scavo bloccato si sono collegati i nodi del fondo scavo e i nodi al contorno con dei PINNED LINK. Il calcolo poi è ripartito dalla soluzione precedente.

E’ da osservare che con tale metodologia
Risultati delle analisi agli elementi finiti
Inizialmente si è studiata la stabilità del terrapieno in assenza di rinforzi. A tale scopo è stata fatta variare la gravità tra 0 e 0.3g, valore per il quale la convergenza del calcolo veniva meno. In effetti i confronti con le soluzioni in forma chiusa indicano per il terrapieno una altezza critica di circa 6m, contro i 10 m dello scavo in esame.

Strain Tresca (f = 35°, c = 5 kPa) gravità agente 0.3g

Deformata x 20 volte (gravità agente 0.3g)
Si osserva una banda di taglio che propaga fino al piano compagna e la deformata indica chiaramente l’insorgere di un moto rigido di un cuneo di terreno instabile.
L’introduzione di rinforzi all’interno del terreno di lunghezza 9m (chiodi lunghi) e di bassa rigidezza relativa (Rn = 0.1 quella minima considerata nella analisi) riduce fortemente le zone in cui si hanno plasticizzazioni del terreno (e di conseguenza grandi deformazioni di taglio individuate dalle e TRESCA) e la banda di taglio non si propaga fino al piano compagna, assicurando così un certo grado di stabilità, che sarà valutato in seguito.

Strain Tresca (Rn = 0.1 - f ’ = 35° - L=9m – fondo bloccato)
Aumentando la rigidezza dei rinforzi di due ordini di grandezza Rn=10 si osserva che le zone di plasticizzazione del terreno e la banda di taglio spariscono, il terreno chiodato ha un comportamento a blocco e, come verrà discusso in seguito, il grado di sicurezza della struttura e l’efficienza del sistema di rinforzo è decisamente maggiore.

Strain Tresca (Rn = 10 - f ’ = 35° - L=9m – fondo bloccato)
Utilizzando chiodi con lunghezza minore (L=5m) e di bassa rigidezza (Rn = 0.1) si osserva come la banda di taglio può raggiungere il piano campagna passando dietro all’ammasso rinforzato (diversamente dall’analogo caso con chiodi più lunghi).

Strain Tresca (Rn = 0.1 - f ’ = 35° - L=5m – fondo bloccato)
Aumentando la rigidezza dei chiodi di due ordini di grandezza (Rn = 10) non si fa più la formazione di una banda di taglio, rimangono tuttavia delle zone di terreno plasticizzato a tergo della zona chiodata dovute alla spinta ribaltante.

Strain Tresca (Rn = 0.1 - f ’ = 35° - L=5m – fondo bloccato)
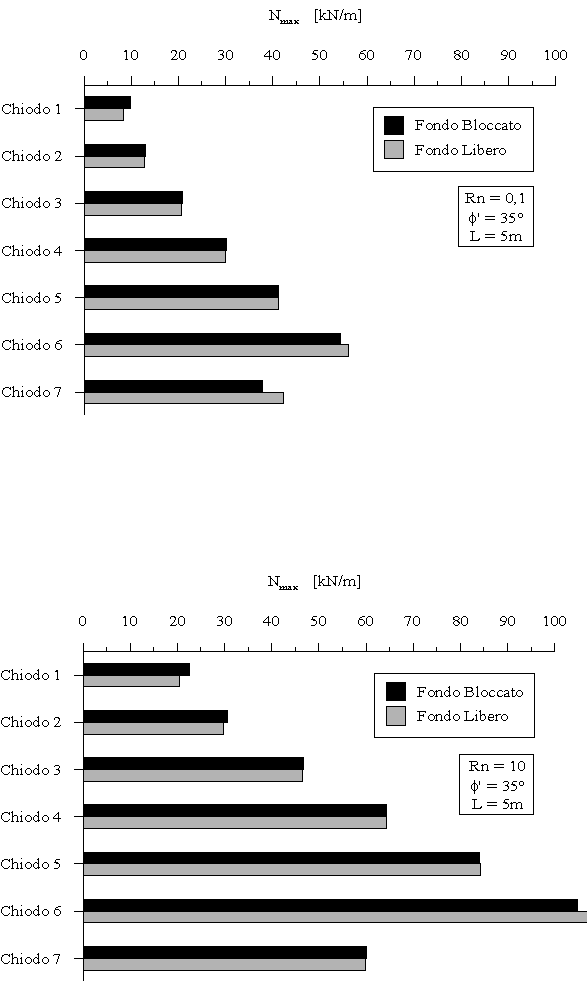
Oltre a queste considerazioni di tipo qualitative si è cercato di valutare quantitativamente il grado di sicurezza della struttura e il grado di efficienza del sistema di rinforzo.
In particolare dalle analisi numeriche si è ricercato


(KN rappresenta l’uguaglianza tra la somma delle massime trazioni nei rinforzi e una distribuzione lineare di tensioni)

Un buon effetto di confinamento e un basso detensionamento si può ottenere con una rigidezza elevata dei rinforzi, per contro si avranno maggiori trazioni.
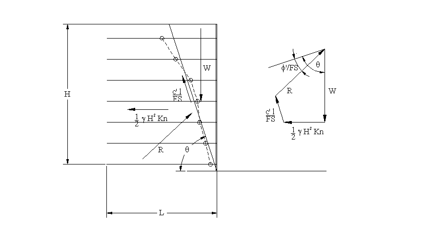
La sicurezza della struttura è stata valutata attraverso l’equilibrio limite di un cuneo di terreno potenzialmente instabile individuato da un piano che interpola i punti di massima trazione nei chiodi.
Il volume di terreno instabile e trazioni sono derivate dalle analisi numeriche, nascendo quindi da una interazione tra i chiodi e il terreno diversamente dai metodi classici all'equilibrio limite.

Schema di equilibrio limite
Il fattore di sicurezza nei confronti di questa instabilità è rappresentato nei seguenti diagrammi e dipende dalla rigidezza relativa del chiodo rispetto al terreno.
Si osservi come all'aumentare della Rigidezza relativa dei chiodi (Rn) aumenti anche il Fattore di Sicurezza interno.
Si è cercato di valutare la sicurezza nei confronti di una rottura per taglio del nucleo armato. Il fattore di sicurezza è definito sulla base dell’angolo di attrito medio mobilizzato all’interno dell’ammasso.
Lo stato tensionale è ricostruito attraverso:
Si ottiene quindi per ogni valore di profondità un valore dell’angolo di attrito mobilizzato e del relativo coefficiente di sicurezza. I valori massimi e minimi di quest’ultimo sono riportati nel seguente grafico.
E’ da notare che con questo approccio si ha un limite inferiore per l'angolo di attrito mobilizzato (o un limite superiore al relativo Fattore di Sicurezza) che corrisponde alla condizione tensionale in sito (f m = 23.5°, Ko = 0.43).Essendo i rinforzi di tipo passivo essi entrano in funzione a seguito di un detensionamento del terreno, lo stato di tensione non può essere maggiore di quello in sito. Tali FS limite valgono 1.49, 1.70 e 1.91 rispettivamente per f = 35°, 40° e 45°.

Fattore di sicurezza al taglio del nucleo armato
Per quanto riguarda le condizioni di vincolo del fondo scavo, le analisi hanno evidenziato che:


Concludendo quindi queste analisi numeriche hanno permesso di: